- Get link
- X
- Other Apps
The thyristor switched capacitor tsc thyristor switched capacitor is defined as a shunt connected thyristor switched capacitor whose effective reactance is varied in a stepwise manner by full or zero conduction operation of the thyristor valve. The tsc stands for thyristor switch capacitor.

Passive Control On The Negative Effect Of Thyristor Switched

What Is Static Var Compensator Svc Definition

Katka 80 T
The thyristor is a current operated device because a small gate current can control a much larger anode current.

Thyristor switched capacitor. From this book i understand that a tssc permits discreet control of capacitive reactance while tcsc permits continuous control of capacitive and inductive reactance. It consists of a power capacitor connected in series with a bidirectional thyristor valve and usually a current limiting reactor inductor. Thyristor switched capacitor banks for power factor compensation of fast varying loads the abbs dynacomp low voltage thyristor switched capacitor banks are used for ultra rapid transient free power factor compensation due to fast varying or large low voltage connected loads giving additional benefits of transient free compensation and voltage dip minimization.
Im struggling to understand the physical difference between the thyristor switched series capacitor tssc and the thyristor controlled series capacitor tcsc. A thyristor switched capacitor tsc is a type of equipment used for compensating reactive power in electrical power systems. Thyristor switch module vtsm for capacitor bank vraj link offers thyristor switch module specially designed for real time automatic power factor correction apfc applications.
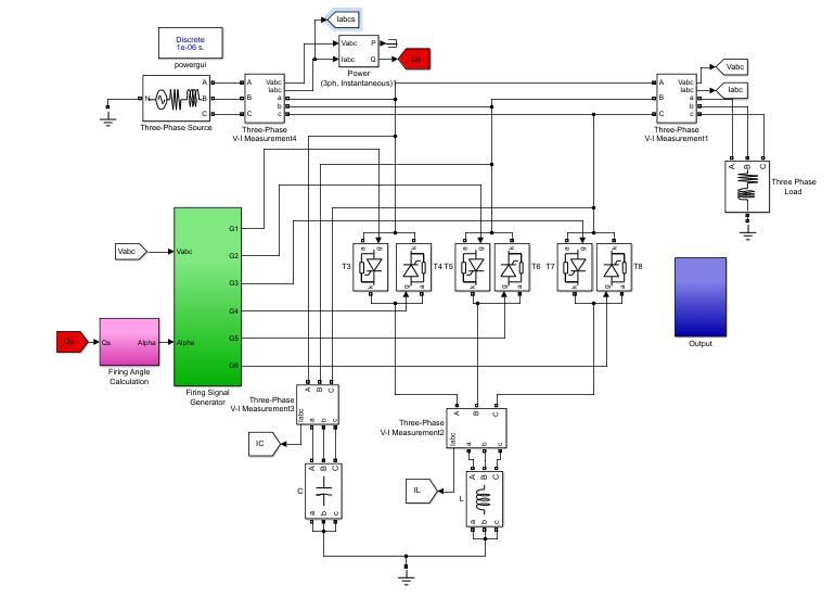
It is an equipment used for the compensating the reactive power in the electrical power system. The gate cathode resistor r gk is generally included to reduce the gates sensitivity and increase its dvdt capability thus preventing false triggering of the device. The current through the capacitor can be varied by controlling the firing angles of back to back thyristor connected in series with the capacitor.
The following circuit diagram shows the tsc circuit. A thyristor switched capacitor bank is thus obtained which has a thyristor switch that therefore only needs to be constructed for a fraction of the mains power supply voltage itself which is a major advantage for economic reasons. The book also mentions that tssc is more comonly employed however when continous control is desired the tcsc is employed.
In apfc the capacitor banks of suitably rated kvar are sequentially selected based on the command from the automatic power factor relay module to maintain the desired power factor ratio of kw. The tsc consist of a capacitor which is in series connected to the bidirectional thyristor valve and also it has the reactor or an inductor. Thyristor switched capacitor the thyristor switched capacitor is used in ehv lines for providing leading vars during heavy loads.

Thyristor Switched Capacitor

Tssc Thyristor Switched Series Capacitor In Medical

Static Var Compensators Svc In The Power System Power
Fixed Capacitor Thyristor Controlled Reacter Fctcr For

Pdf Reactive Power Control By Using Thyristor Switched

What Is A Thyristor Switched Series Capacitor Tssc

Design Of Microcontroller Based Static Var Compensator

Thyristor Switched Capacitor
Thyristor Switch Module Vtsm For Capacitor Bank

Thyristor Switched Capacitor Wikipedia

Voltage Stabilization Through Reactive Power Injection At
Flexible Ac Transmission Systems Facts Devices Dr Avik
thyristor switched capacitor
thyristor switched capacitor waveform
thyristor switched series capacitor
- Get link
- X
- Other Apps
Comments
Post a Comment